射频连接器主要用于传输射频信号,广泛应用于各种通讯和雷达设备、航空和卫星通讯、医疗电子等领域。RFTOP主要提供电缆(接线式)、PCB、面板式三大系列近1200个型号的射频连接器,频率覆盖DC-110GHz。RFTOP射频连接器具有界面尺寸精准、电压驻波比小、可靠性高、耐久性好、高性价比、交期快等特点,能满足射频行业不同类型的客户需求,请您放心选购。
分类导航:超优级 | 精密型 | 经济型 | 2孔法兰 | 4孔法兰 | 穿墙 | 90度直角 | 一图区分射频接头 | 安装方式 | SMP/SSMP常见问题 | 手册下载
| 产品图 | 产品类型 | 产品型号 | 接头类型 | 频率/驻波 | 安装方式 | 孔径/距及尺寸 | 尾针(孔)/介质 | 规格书 | 购买方式 |
![]() |
电缆连接器 | RC40PF-B2-GBC-2 | SMP(GPO)母 | DC-40GHz 1.5 Max |
Solder 086、SS405系列 |
- | - | English 中文版 |
RFbuy 现货产品 |
| 尺寸:6.4(L)mm | |||||||||
![]() |
电缆连接器 | RC40PFB-BG405 | SMP(GPO)母 | DC-40GHz 1.3 Max |
Solder RG405系列 |
- | - | English 中文版 |
RFbuy 现货产品 |
| 尺寸:6.9(L)mm | |||||||||
![]() |
电缆连接器 精密型 直焊式 直角90度弯 |
RC40PFWB-BA220E | SMP(GPO)母 | DC-40GHz 1.5 Max |
Solder RCA220、CXN3506系列 |
- | - | English 中文版 |
RFbuy 现货产品 |
| 尺寸:8(L)×10.5(W)mm | |||||||||
![]() |
PCB表贴焊接连接器 | RC27PML-SSM04-GBA | SMP(GPO)公 半擒纵 | DC-26.5GHz 1.25 Max |
Solder | - | Φ 0.4mm (L)1mm |
English 中文版 |
RFbuy 现货产品 |
| 尺寸:4.1(L)mm | |||||||||
![]() |
PCB表贴焊接连接器 | RC27PMS-SSM04-GBA | SMP(GPO)公 光孔 | DC-26.5GHz 1.25 Max |
Solder | - | Φ 0.4mm (L)1mm |
English 中文版 |
RFbuy 预估交期 7-8天 |
| 尺寸:4.1(L)mm | |||||||||
![]() |
电缆连接器 直角90度弯 |
RC18PFW-B2-GBC | SMP(GPO)母 | DC-18GHz 1.3 Max |
Solder 086、SS405系列 |
- | - | English 中文版 |
RFbuy 现货产品 |
| 尺寸:6.8(L)×6.5(W)mm | |||||||||
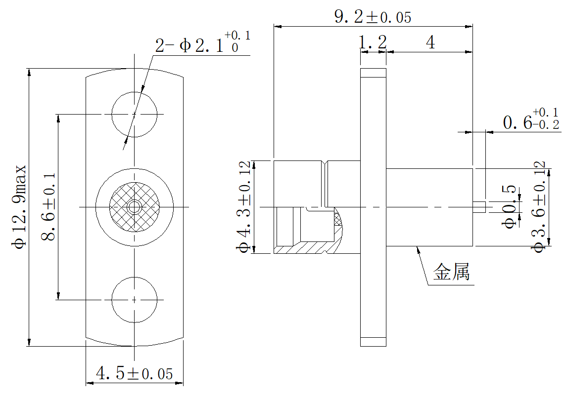
![]() |
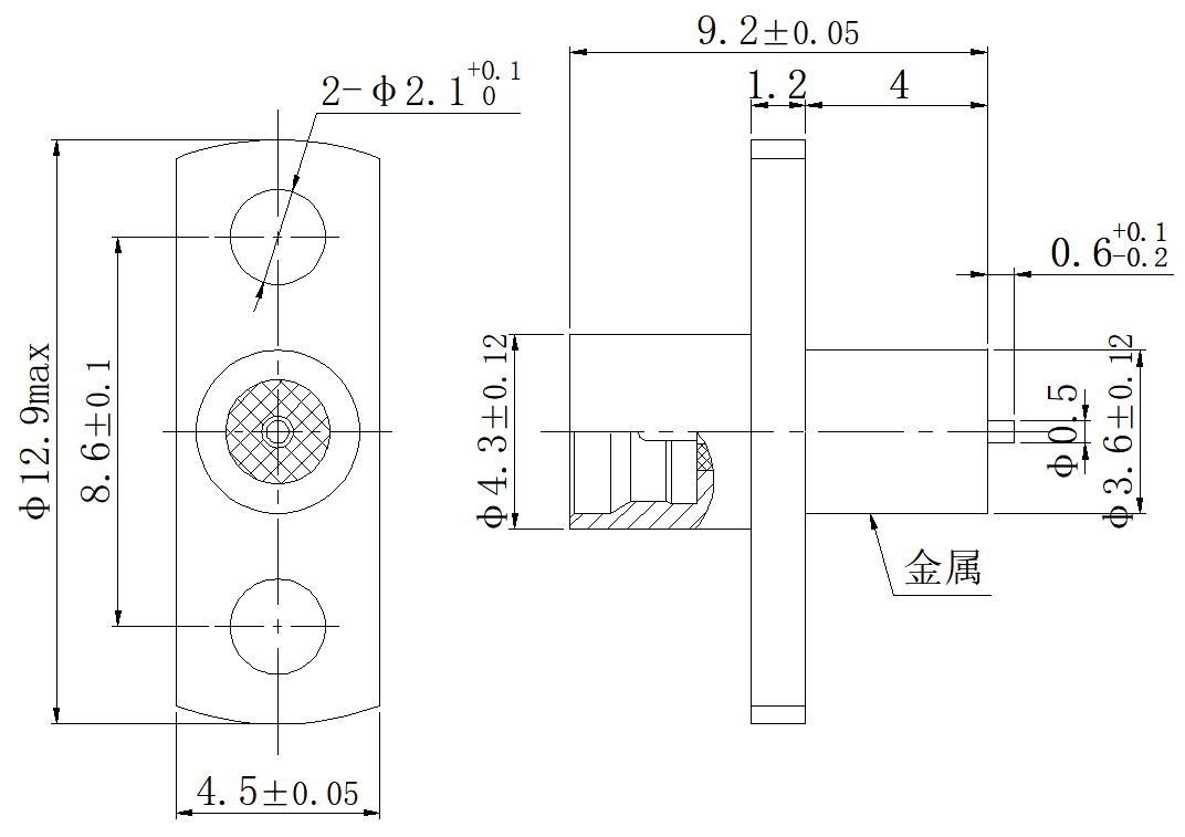
面板金属穿墙连接器 双孔法兰 |
RC18PML-MF2D05-GBA | SMP(GPO)公 半擒纵 | DC-18GHz 1.35 Max |
Solder | 孔径:2.1mm 孔距:8.6mm |
Φ 0.5mm (L)0.6mm |
English 中文版 |
RFbuy 现货产品 |
| 尺寸:9.8(L)mm | |||||||||
![]() |
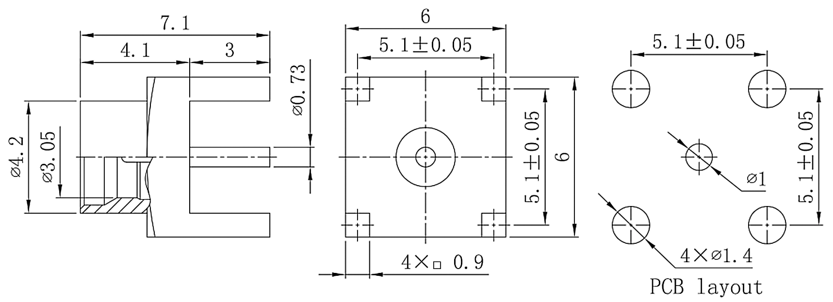
PCB插孔焊接连接器 | RC18PML-STH073-GBA | SMP(GPO)公 半擒纵 | DC-18GHz 1.35 Max |
Solder | 孔距:5.1mm | Φ 0.73mm (L)3mm |
English 中文版 |
RFbuy 现货产品 |
| 尺寸:7.1(L)mm | |||||||||
![]() |
面板金属穿墙连接器 双孔法兰 |
RC18PMS-MF2D05-GBA | SMP(GPO) | DC-18GHz 1.35 Max |
Solder | 孔径:2.1mm 孔距:8.6mm |
Φ 0.5mm (L)0.6mm |
English 中文版 |
RFbuy 现货产品 |
| 尺寸:9.8(L)mm | |||||||||
![]() |
PCB开槽焊接连接器 | RC18PM-SSM02-GBA | SMP(GPO)公 | DC-18GHz 1.2 Max |
Solder | - | Φ 0.2mm (L)2.3mm |
English 中文版 |
RFbuy 现货产品 |
| 尺寸:7.4(L)×6.4(φ)mm | |||||||||
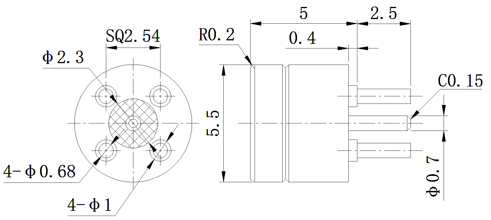
![]() |
PCB插孔焊接连接器 | RC18PMS-STH07-GBA | SMP(GPO)公 光孔 | DC-18GHz 1.35 Max |
Solder | 孔距:2.54mm | Φ 0.7mm (L)2.5mm |
English 中文版 |
RFbuy 现货产品 |
| 尺寸:7.5(L)×5.5(φ)mm | |||||||||
![]() |
PCB插孔焊接连接器 | RC18PM-STH04-GBA | SMP(GPO)公 半擒纵 | DC-18GHz 1.35 Max |
Solder | 孔距:2.15mm | Φ 0.38mm (L)0.87mm |
English 中文版 |
RFbuy 现货产品 |
| 尺寸:8.58(L)×4.2(φ)mm | |||||||||
![]() |
PCB插孔焊接连接器 | RC18PM-STH07-GBA | SMP(GPO)公 半擒纵 | DC-18GHz 1.35 Max |
Solder | 孔距:2.54mm | Φ 0.7mm (L)2.5mm |
English 中文版 |
RFbuy 现货产品 |
| 尺寸:7.5(L)×5.5(φ)mm | |||||||||
![]() |
电缆连接器 直角90度弯 |
RC10PFW-B001-GBC | SMP(GPO)母 | DC-10GHz 1.3 Max |
Solder | - | - | English 中文版 |
RFbuy 现货产品 |
| 尺寸:6.6(L)×4.7(W)mm | |||||||||
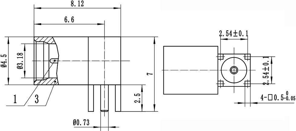
![]() |
PCB插孔焊接连接器 直角90度弯 |
RC6PMW-STH07 | SMP(GPO)公 半擒纵 | DC-6GHz 1.3 Max |
Solder | 孔径:0.76mm 孔距:2.54mm |
Φ 0.7mm (L)4mm |
English 中文版 |
RFbuy 现货产品 |
| 尺寸:8.1(L)×8(W)×4.2(φ)mm | |||||||||
|
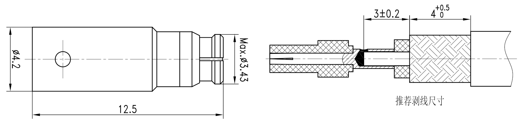
电缆连接器 精密型 |
RC40PFB-B086 | SMP(GPO)母 | DC-40GHz Max |
Solder 086、RG405系列 |
- | - | English 中文版 |
RFbuy 预估交期 5-6天 |
| 尺寸:7.3(L)mm | |||||||||
|
电缆连接器 精密型 |
RC40PFB-B1 | SMP(GPO)母 | DC-40GHz Max |
Solder 047系列 |
- | - | English 中文版 |
RFbuy 预估交期 5-6天 |
| 尺寸:8(L)mm | |||||||||
|
电缆连接器 精密型 |
RC40PFB-B1A | SMP(GPO)母 | DC-40GHz Max |
Solder 047系列 |
- | - | English 中文版 |
RFbuy 预估交期 5-6天 |
| 尺寸:11(L)mm | |||||||||
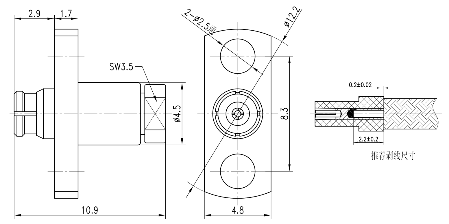
|
电缆连接器 精密型 双孔法兰 |
RC40PFB-B2F086 | SMP(GPO)母 | DC-40GHz Max |
Solder 086、RG405系列 |
- | - | English 中文版 |
RFbuy 预估交期 5-6天 |
| 尺寸:10.9(L)mm | |||||||||
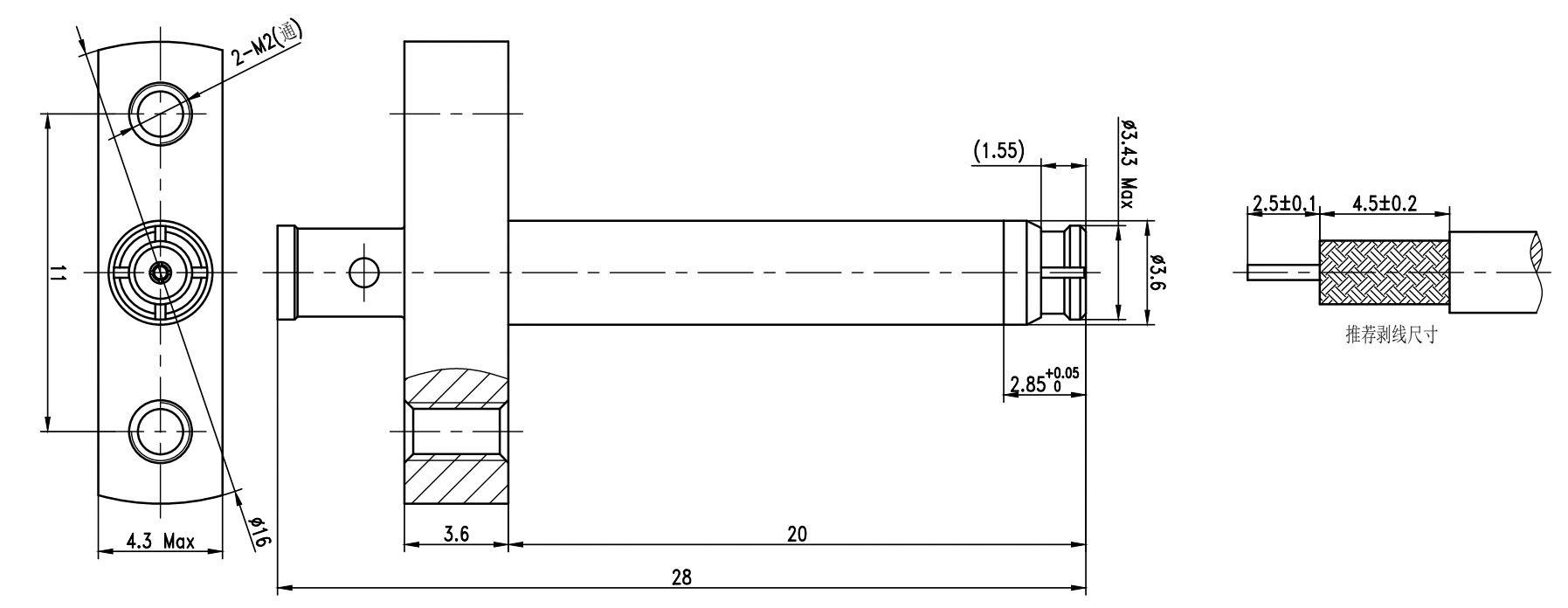
|
电缆连接器 精密型 直焊式 双孔法兰 |
RC40PFB-B2F086E | SMP(GPO)母 | DC-40GHz Max |
Solder 086、RG405系列 |
- | - | English 中文版 |
RFbuy 预估交期 5-6天 |
| 尺寸:28(L)mm | |||||||||
|
电缆连接器 精密型 双孔法兰 |
RC40PFB-B2FA220 | SMP(GPO)母 | DC-40GHz Max |
Solder 3506系列 |
- | - | English 中文版 |
RFbuy 预估交期 5-6天 |
| 尺寸:17.5(L)mm | |||||||||
|
电缆连接器 精密型 双孔法兰 |
RC40PFB-B2FA360 | SMP(GPO)母 | DC-40GHz Max |
Solder 3507系列 |
- | - | English 中文版 |
RFbuy 预估交期 5-6天 |
| 尺寸:12.5(L)mm | |||||||||
|
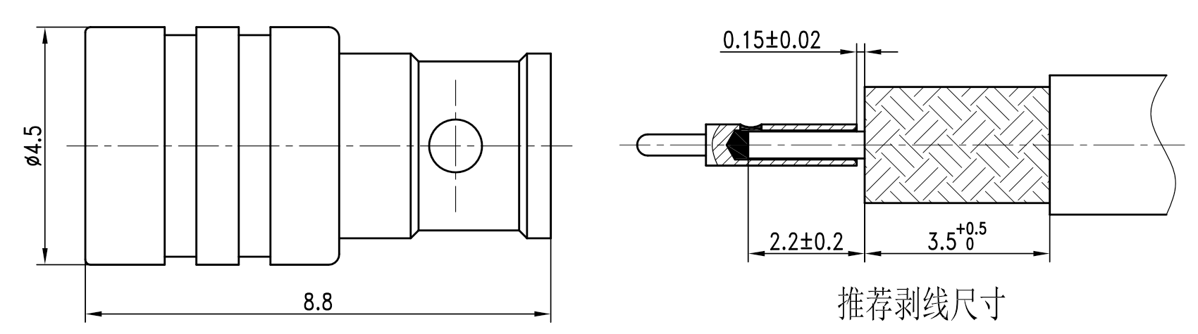
电缆连接器 精密型 |
RC40PFB-BA220 | SMP(GPO)母 | DC-40GHz Max |
Solder RCA220、CXN3506系列 |
- | - | English 中文版 |
RFbuy 预估交期 5-6天 |
| 尺寸:17.5(L)mm | |||||||||
|
电缆连接器 精密型 |
RC40PFB-BA360 | SMP(GPO)母 | DC-40GHz Max |
Solder 3507系列 |
- | - | English 中文版 |
RFbuy 预估交期 5-6天 |
| 尺寸:7.3(L)mm | |||||||||
|
电缆连接器 直焊式 |
RC40PFB-BA360E | SMP(GPO)母 | DC-40GHz 1.5 Max |
Solder RCA360、CXN3507系列 |
- | - | English 中文版 |
RFbuy 预估交期 14-15天 |
| 尺寸:13(L)mm | |||||||||
|
电缆连接器 精密型 直角90度弯 |
RC40PFWB-B1A | SMP(GPO)母 | DC-40GHz Max |
Solder 047系列 |
- | - | English 中文版 |
RFbuy 预估交期 5-6天 |
| 尺寸:7.6(L)×7.5(W)mm | |||||||||
|
电缆连接器 精密型 直角90度弯 |
RC40PFWB-B1B | SMP(GPO)母 | DC-40GHz Max |
Solder 047系列 |
- | - | English 中文版 |
RFbuy 预估交期 5-6天 |
| 尺寸:6.6(L)×5.6(W)mm | |||||||||
|
电缆连接器 精密型 直角90度弯 |
RC40PFWB-B2 | SMP(GPO)母 | DC-40GHz Max |
Solder 086、RG405系列 |
- | - | English 中文版 |
RFbuy 预估交期 5-6天 |
| 尺寸:8(L)×8(W)mm | |||||||||
|
电缆连接器 精密型 直角90度弯 |
RC40PFWB-B2A | SMP(GPO)母 | DC-40GHz 1.35 Max |
Solder 086、RG405系列 |
- | - | English 中文版 |
RFbuy 预估交期 5-6天 |
| 尺寸:8(L)×9.5(W)mm | |||||||||
|
电缆连接器 直焊式 |
RC40PFWB-BA360E | SMP(GPO)母 | DC-40GHz 1.55 Max |
Solder RCA360、CXN3507系列 |
- | - | English 中文版 |
RFbuy 预估交期 14-15天 |
| 尺寸:8(L)×11(W)mm | |||||||||
|
电缆连接器 精密型 |
RC40PM-BA220 | SMP(GPO)公 | DC-40GHz Max |
Solder CXN3506、HA220系列 |
- | - | English 中文版 |
RFbuy 预估交期 5-6天 |
| 尺寸:17.3(L)mm | |||||||||
|
电缆连接器 精密型 直焊式 |
RC40PMB-B086E | SMP(GPO)公 | DC-40GHz Max |
Solder 086系列 |
- | - | English 中文版 |
RFbuy 预估交期 5-6天 |
| 尺寸:8.8(L)mm | |||||||||
|
PCB插孔焊接连接器 精密型 |
RC40PM-STH07 | SMP(GPO)公 半擒纵 | DC-40GHz Max |
Solder | 孔径:1.2mm 孔距:5.1mm |
Φ 0.7mm (L)3mm |
English 中文版 |
RFbuy 预估交期 1-2天 |
| 尺寸:9(L)×4.2(φ)mm | |||||||||
|
电缆连接器 精密型 |
RC27PFB-B141 | SMP(GPO)母 | DC-26.5GHz 1.4 Max |
Solder RG402, 141 (ø4.1 mm)系列 |
- | - | English 中文版 |
RFbuy 预估交期 21-22天 |
| 尺寸:12.5(L)mm | |||||||||
|
PCB插孔焊接连接器 | RC27PM-STH04-GBA | SMP(GPO)公 半擒纵 | DC-26.5GHz 1.25 Max |
Solder | 孔径:1.1mm 孔距:5.08mm |
Φ 0.4mm (L)0.5mm |
English 中文版 |
RFbuy 预估交期 7-8天 |
| 尺寸:6.6(L)mm | |||||||||
|
电缆连接器 直焊式 |
RC18PFB-BA220E | SMP(GPO)母 | DC-18GHz 1.3 Max |
Solder RCA220、CXN3506系列 |
- | - | English 中文版 |
RFbuy 预估交期 14-15天 |
| 尺寸:6.5(L)mm | |||||||||
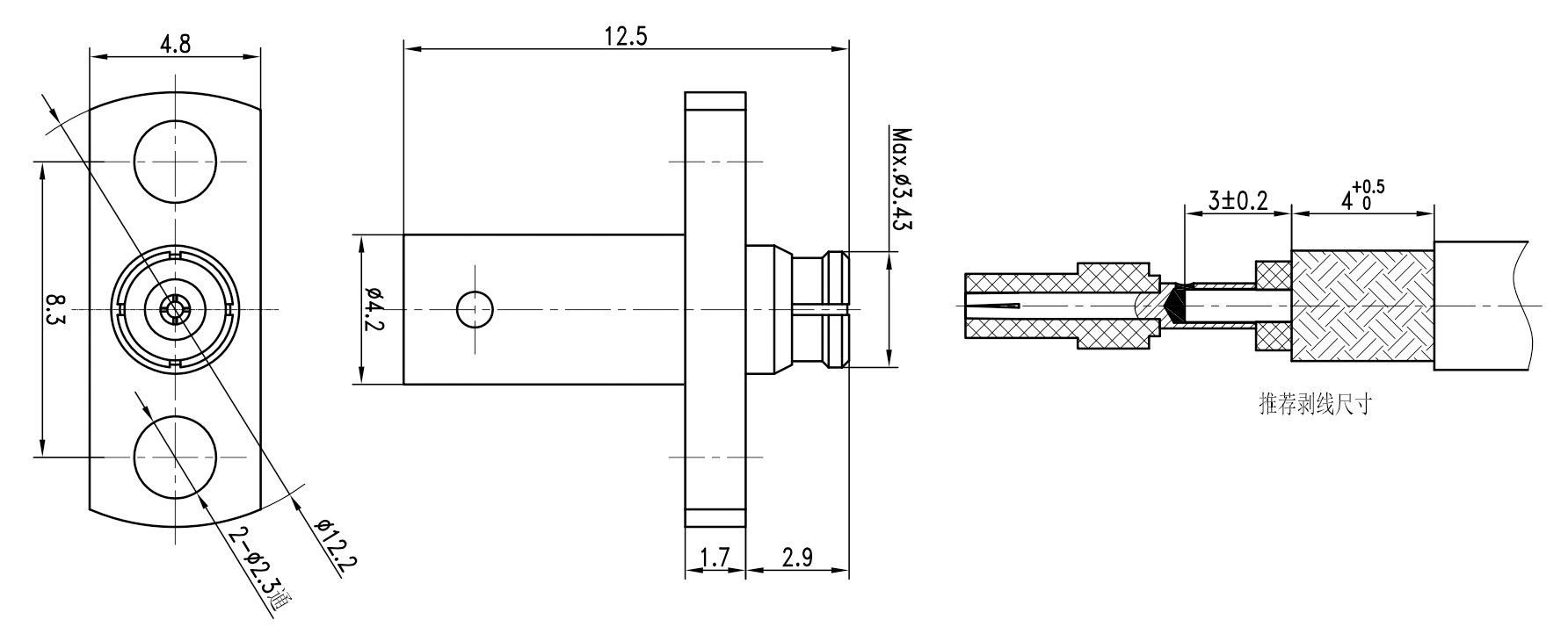
|
电缆连接器 直角90度弯 双孔法兰 |
RC18PFWB-B2F2 | SMP(GPO)母 | DC-18GHz Max |
Solder | 孔径:1.8mm 孔距:8.3mm |
- | English 中文版 |
RFbuy 预估交期 3-4天 |
| 尺寸:6.9(L)mm | |||||||||
|
电缆连接器 直焊式 直角90度弯 |
RC18PFWB-BA220E | SMP(GPO)母 | DC-18GHz 1.35 Max |
Solder RCA220、CXN3506系列 |
- | - | English 中文版 |
RFbuy 预估交期 14-15天 |
| 尺寸:6.8(L)×5.7(W)mm | |||||||||
|
面板金属穿墙连接器 穿墙 |
RC18SM-MYD045-GBA | SMP(GPO)公 半擒纵 | DC-18GHz 1.3 Max |
Solder | - | Φ 0.45mm (L)1.7mm |
English 中文版 |
RFbuy 预估交期 3-4天 |
| 尺寸:7.6(L)mm | |||||||||
|
PCB插孔焊接连接器 | RC12PM-STH07-GBA | SMP(GPO)公 | DC-12.4GHz Max |
Solder | - | Φ 0.7mm (L)3mm |
English 中文版 |
RFbuy 预估交期 3-4天 |
| 尺寸:8(L)mm | |||||||||
|
PCB表贴焊接连接器 | RC12PMS-SSM04-GBA | SMP(GPO)公 光孔 | DC-12GHz 1.3 Max |
Solder | - | Φ 0.4mm (L)1mm |
English 中文版 |
RFbuy 预估交期 7-8天 |
| 尺寸:4.6(L)mm | |||||||||
|
PCB插孔焊接连接器 直角90度弯 |
RC6PMWB-STH073 | SMP(GPO)公 光孔 | DC-6GHz 1.3 Max |
Solder | 孔距:2.54mm | Φ 0.73mm (L)2.5mm |
English 中文版 |
RFbuy 预估交期 3-4天 |
| 尺寸:8.12(L)×7(W)×4.5(φ)mm | |||||||||