当前位置:首页>选型工具>常见法兰类型及尺寸查询>FPWRD矩形法兰
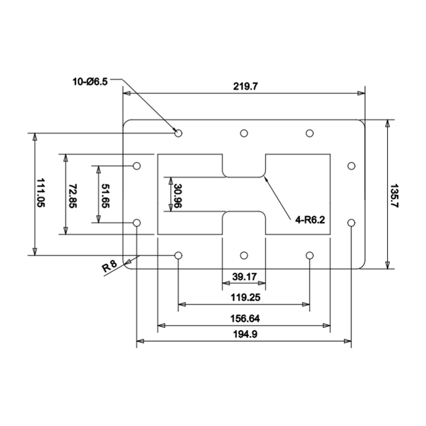
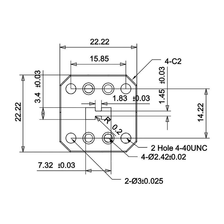
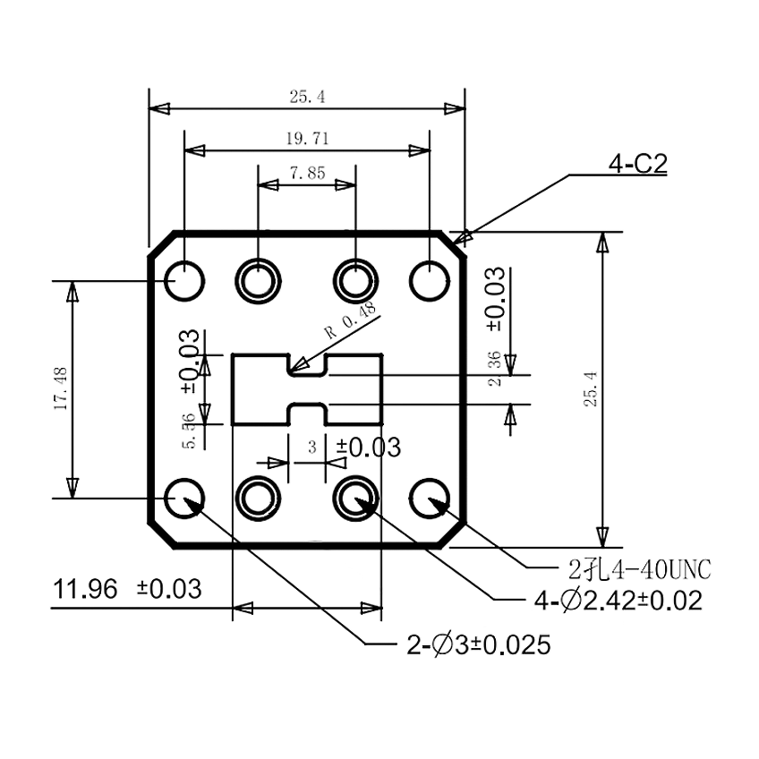
波导法兰盘是一种用于微波通信的法兰接口标准,该标准定义了波导法兰盘的形状、尺寸和材质,以确保设备之间的可靠连接和信号传输。
波导法兰标准种类繁多,当两个波导类型相同的法兰,边框尺寸(四边)和安装孔径/螺纹尺寸规格完全一致,仅法兰外框倒角存在倒直角和倒圆角的差异,RFTOP将其定义为同一种法兰(仅叫法不同)。
FPWRD矩形法兰

WRD84 

FPWRD84矩形法兰


WRD150 

FPWRD150矩形法兰


WRD200 

FPWRD200矩形法兰


WRD250 

FPWRD250矩形法兰


WRD350 

FPWRD350矩形法兰


WRD475 

FPWRD475矩形法兰


WRD500 

FPWRD500矩形法兰


WRD580 

FPWRD580矩形法兰


WRD650 

FPWRD650矩形法兰


WRD750 

FPWRD750矩形法兰


WRD1100 

FPWRD1100矩形法兰


WRD1800 

FPWRD1800矩形法兰

扫描关注公众号

0755-88840350 18026909307