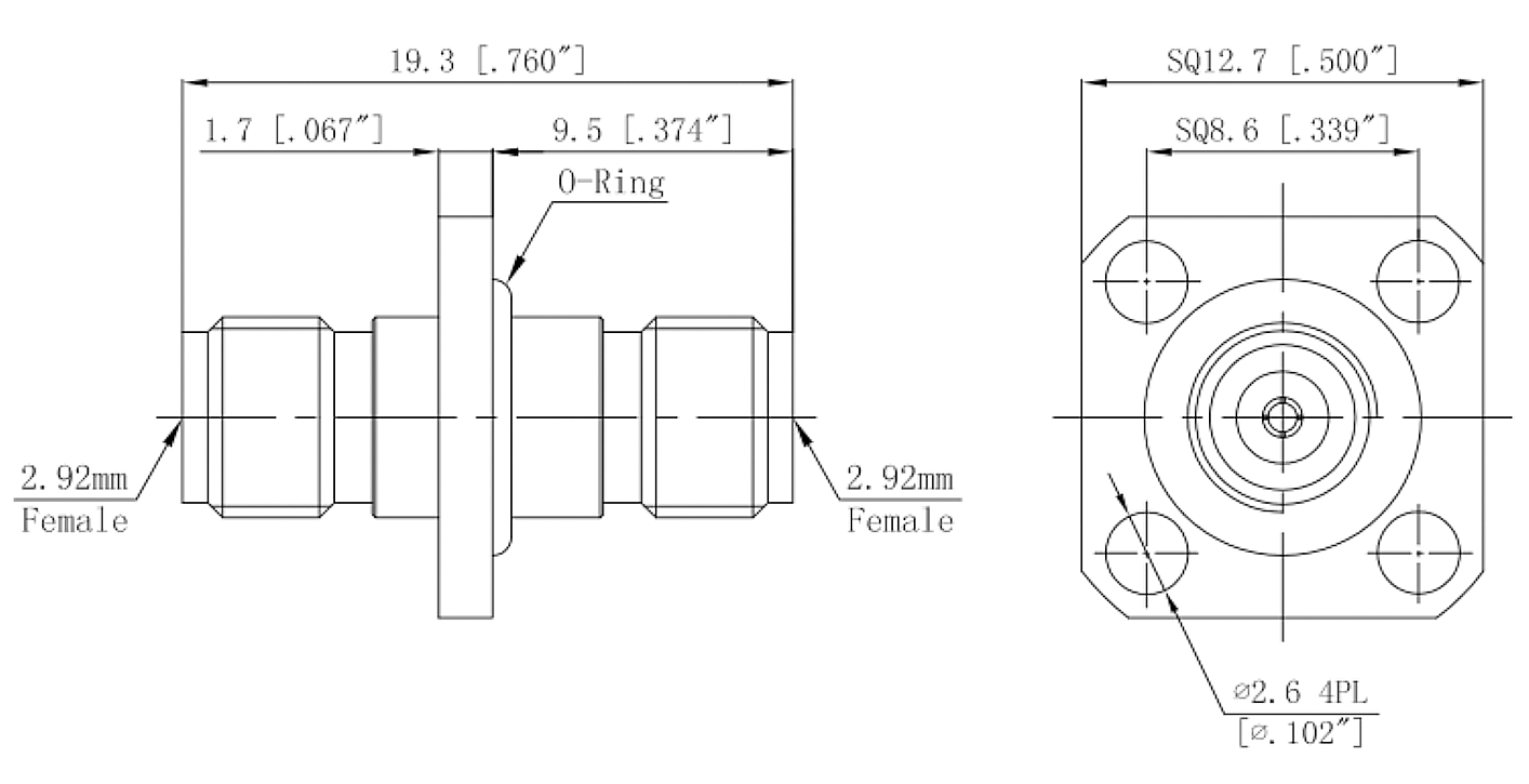
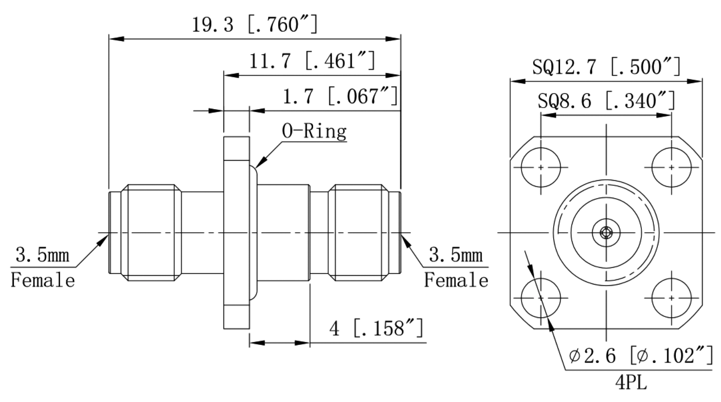
当前位置:首页>产品选型>转接器/旋转关节/探针选型工具>法兰款转接器/旋转关节/探针 | 重置检索条件
选型工具 | 射频转接器 | 精密转接器 | 毫米波转接器 | 低互调转接器 | 阻抗转换器 | RF Adapters(DC-110GHz)

RFTOP提供近1000个型号的射频转接器,频率覆盖DC-110GHz,能满足射频行业不同类型的客户需求。 RFTOP产品分为超优级、精密型、经济型三个等级,无论何种类型的转接器,RFTOP都提供品质保证,产品出厂100%射频性能测试,95%以上型号提供产品实测性能曲线图(可在规格书上查询)。RFTOP产品具有频率范围广、界面尺寸精准、电压驻波比小、可靠性高、耐久性好、高性价比、交期快等特点,请您放心选购。

分类导航:毫米波 | 超优级 | 经济型 | 精密黄铜 | 三通 | 穿墙 | 转接器套装 | 反极性 | 一图区分射频接头 | 安装方式 | SMP/SSMP常见问题 | 手册下载

接头查询:  1.0mm  1.35mm  1.85mm  2.4mm  2.92mm(K,SK)  3.5mm  4.1-9.5  4.3-10  4.3-10Q  APC-7  BMA  BNC  E  F  HD-EFI  HN  IPEX  L27  L29(DIN 7/16)  L36  LBMP  M  MBX  MCX  MFBX  MMCX  N  NEX10  NMD1.0  NMD1.85  NMD2.4  NMD2.92  NMD3.5  PSMP  QMA  QSMA  QSSMA  RBMA  RP-SMA反极  RP-TNC  SBMA  SC  SL  SMA  SMB  SMP(GPO)  SMPMAX  SSMA  SSMC  SSMP(GPPO,SMPM)  TNC  TRB  TS9  ZSMP 
快速选型:   重置条件
产品图 产品类型 型号 连接器类型及频率 驻波比 插入损耗 材料及产品尺寸 规格书 购买方式
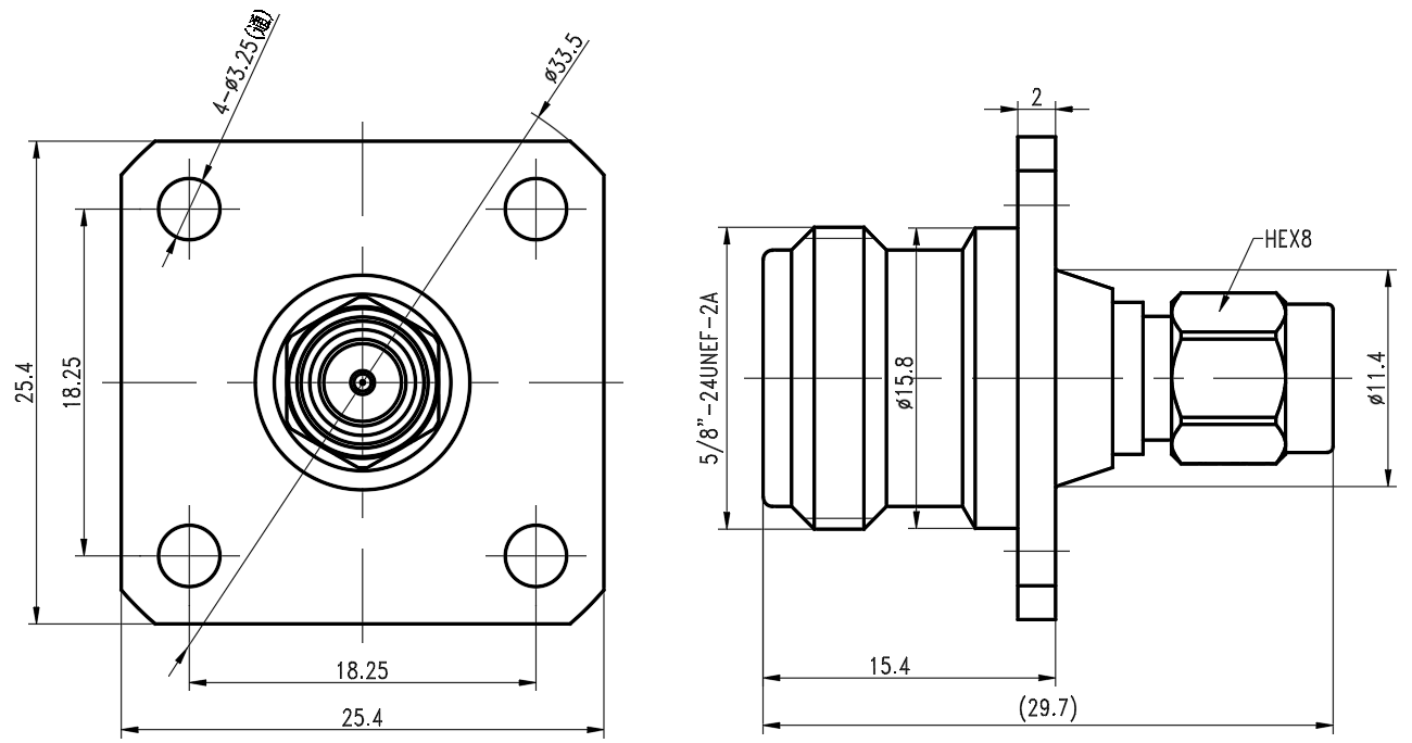
(GPPO\SMPM)(GPO)公 转 (GPPO\SMPM)(GPO)公 4孔法兰 精密转接器|铍铜镀金,DC-DC-110GHzGHz,长度19.5mm - RA11001F 转接器
精密型
四孔法兰
RA11001F 1.0mm母 转 1.0mm母
DC-110GHz
1.35 Max 0.50dB Max 铍铜镀金
19.5(L)mm
English
中文版
RFbuy
5-6天
(GPPO\SMPM)(GPO)公 转 (GPPO\SMPM)(GPO)公 4孔法兰 精密转接器|不锈钢+铍铜镀金,DC-DC-110GHzGHz,长度19.35mm - RA11002F 转接器
精密型
四孔法兰
RA11002F 1.0mm母 转 1.0mm公
DC-110GHz
1.35 Max 0.50dB Max 不锈钢+铍铜镀金
19.35(L)mm
English
中文版
RFbuy
5-6天
(GPPO\SMPM)(GPO)公 转 (GPPO\SMPM)(GPO)公 4孔法兰 精密转接器|不锈钢,DC-DC-67GHzGHz,长度22.6mm,法兰孔距8.6mm - RA6701F 转接器
精密型
四孔法兰
RA6701F 1.85mm母 转 1.85mm母
DC-67GHz
1.30 Max - 不锈钢
22.6(L)mm
English
中文版
RFbuy
现货产品
(GPPO\SMPM)(GPO)公 转 (GPPO\SMPM)(GPO)公 4孔法兰 转接器|不锈钢,DC-DC-67GHzGHz,长度23mm,法兰孔距8.6mm - RA6701FSH 转接器
超优级(Ultra)
带密封圈
四孔法兰
RA6701FSH 1.85mm母 转 1.85mm母
DC-67GHz
1.20 Max 0.30dB Max ≤0.1√f(GHz)dB 不锈钢
23(L)mm
English
中文版
RFbuy
现货产品
(GPPO\SMPM)(GPO)公 转 (GPPO\SMPM)(GPO)公 4孔法兰 精密转接器|不锈钢,DC-DC-50GHzGHz - RA5001F 转接器
精密型
四孔法兰
RA5001F 2.4mm母 转 2.4mm母
DC-50GHz
1.20 Max 0.38dB Max , Typ 0.32dB 不锈钢
22.7(L)mm
English
中文版
RFbuy
现货产品
(GPPO\SMPM)(GPO)公 转 (GPPO\SMPM)(GPO)公 4孔法兰 转接器|不锈钢,DC-DC-50GHzGHz,长度22.7mm,法兰孔距8.6mm - RA5001FH 转接器
超优级(Ultra)
四孔法兰
RA5001FH 2.4mm母 转 2.4mm母
DC-50GHz
1.20 Max , Typ 1.15 0.25dB Max ≤0.05√f(GHz)dB 不锈钢
22.7(L)mm
English
中文版
RFbuy
现货产品
(GPPO\SMPM)(GPO)公 转 (GPPO\SMPM)(GPO)公 4孔法兰 转接器|不锈钢,DC-DC-50GHzGHz,长度19.5mm,法兰孔距8.6mm - RA5001FSH 转接器
超优级(Ultra)
带密封圈
四孔法兰
RA5001FSH 2.4mm母 转 2.4mm母
DC-50GHz
1.20 Max , Typ 1.1 0.25dB Max ≤0.05√f(GHz)dB 不锈钢
19.5(L)mm
English
中文版
RFbuy
现货产品
(GPPO\SMPM)(GPO)公 转 (GPPO\SMPM)(GPO)公 4孔法兰 转接器|不锈钢,DC-DC-50GHzGHz,长度24mm,法兰孔距8.6mm - RA5001FSH02 转接器
超优级(Ultra)
带密封圈
四孔法兰
RA5001FSH02 2.4mm母 转 2.4mm母
DC-50GHz
1.20 Max , Typ 1.15 0.25dB Max ≤0.05√f(GHz)dB 不锈钢
24(L)mm
English
中文版
RFbuy
现货产品
(GPPO\SMPM)(GPO)公 转 (GPPO\SMPM)(GPO)公 4孔法兰 精密转接器|不锈钢,DC-DC-40GHzGHz,长度22.2mm,法兰孔距8.64mm - RA4001F 转接器
精密型
四孔法兰
RA4001F 2.92mm(K,SK)母 转 2.92mm(K,SK)母
DC-40GHz
1.20 Max 0.35dB Max , Typ 0.27dB 不锈钢
22.2(L)×6.35(φ)mm
English
中文版
RFbuy
现货产品
(GPPO\SMPM)(GPO)公 转 (GPPO\SMPM)(GPO)公 4孔法兰 转接器|不锈钢,DC-DC-40GHzGHz,长度22.2mm,法兰孔距8.6mm - RA4001FH 转接器
超优级(Ultra)
四孔法兰
RA4001FH 2.92mm(K,SK)母 转 2.92mm(K,SK)母
DC-40GHz
1.15 Max 0.30dB Max ≤0.05√f(GHz)dB 不锈钢
22.2mm(L)mm
English
中文版
RFbuy
现货产品
(GPPO\SMPM)(GPO)公 转 (GPPO\SMPM)(GPO)公 4孔法兰 转接器|不锈钢,DC-DC-40GHzGHz,长度19.4mm,法兰孔距8.6mm - RA4001FH02 转接器
超优级(Ultra)
四孔法兰
RA4001FH02 2.92mm(K,SK)母 转 2.92mm(K,SK)母
DC-40GHz
1.20 Max 0.25dB Max 不锈钢
19.4(L)mm
English
中文版
RFbuy
7-8天
(GPPO\SMPM)(GPO)公 转 (GPPO\SMPM)(GPO)公 4孔法兰 转接器|不锈钢,DC-DC-40GHzGHz,长度26.3mm,法兰孔距12.7mm - RA4001FH03 转接器
超优级(Ultra)
四孔法兰
RA4001FH03 2.92mm(K,SK)母 转 2.92mm(K,SK)母
DC-40GHz
1.20 Max 0.30dB Max 不锈钢
26.3(L)mm
English
中文版
RFbuy
7-8天
(GPPO\SMPM)(GPO)公 转 (GPPO\SMPM)(GPO)公 4孔法兰 转接器|不锈钢,DC-DC-40GHzGHz,长度27.8mm,法兰孔距8.6mm - RA4001FSH 转接器
超优级(Ultra)
带密封圈
四孔法兰
RA4001FSH 2.92mm(K,SK)母 转 2.92mm(K,SK)母
DC-40GHz
1.15 Max 0.25dB Max ≤0.05√f(GHz)dB 不锈钢
28(L)mm
English
中文版
RFbuy
现货产品
(GPPO\SMPM)(GPO)公 转 (GPPO\SMPM)(GPO)公 4孔法兰 转接器|不锈钢,DC-DC-40GHzGHz,长度19.4mm,法兰孔距8.6mm - RA4001FSH03 转接器
超优级(Ultra)
四孔法兰
RA4001FSH03 2.92mm(K,SK)母 转 2.92mm(K,SK)母
DC-40GHz
1.20 Max 0.25dB Max 不锈钢
19.4(L)mm
English
中文版
RFbuy
7-8天
(GPPO\SMPM)(GPO)公 转 (GPPO\SMPM)(GPO)公 4孔法兰 转接器|不锈钢,DC-DC-40GHzGHz,长度20.4mm,法兰孔距8.6mm - RA4003FSH 转接器
超优级(Ultra)
四孔法兰
RA4003FSH 2.92mm(K,SK)公 转 2.92mm(K,SK)母
DC-40GHz
1.15 Max 0.25dB Max 不锈钢
20.4(L)mm
English
中文版
RFbuy
7-8天
(GPPO\SMPM)(GPO)公 转 (GPPO\SMPM)(GPO)公 4孔法兰 转接器|不锈钢,DC-DC-40GHzGHz,长度28mm,法兰尺寸24(L)*18(w)mm - RA4036F 转接器
超优级(Ultra)
四孔法兰
RA4036F NMD2.92公 转 2.92mm(K,SK)母
DC-40GHz
1.20 Max , Typ 1.15 0.30dB Max ≤0.05√f(GHz)dB 不锈钢
28(L)mm
English
中文版
RFbuy
现货产品
(GPPO\SMPM)(GPO)公 转 (GPPO\SMPM)(GPO)公 2孔法兰 转接器|铍铜镀金,DC-DC-40GHzGHz,光孔,长度10mm,,法兰安装孔距8.3(φ) - RA40P03FH-GBC 转接器
超优级(Ultra)
双孔法兰
RA40P03FH-GBC SMP(GPO)公 半擒纵 转 SMP(GPO)母
DC-40GHz
1.30 Max (加两个转接器互配测试) 0.30dB Max ≤0.12√f(GHz)dB 铍铜镀金
10(L)mm
English
中文版
RFbuy
现货产品
(GPPO\SMPM)(GPO)公 转 (GPPO\SMPM)(GPO)公 4孔法兰 转接器|不锈钢,DC-DC-34GHzGHz,长度19.4mm,法兰孔距8.6mm - RA3404F 转接器
超优级(Ultra)
四孔法兰
RA3404F 2.92mm(K,SK)母 转 3.5mm母
DC-34GHz
1.15 Max 0.23dB Max 不锈钢
19.4(L)mm
English
中文版
RFbuy
7-8天
(GPPO\SMPM)(GPO)公 转 (GPPO\SMPM)(GPO)公 4孔法兰 转接器|不锈钢,DC-DC-34GHzGHz,长度22.2mm,法兰孔距8.6mm - RA3404FH 转接器
超优级(Ultra)
四孔法兰
RA3404FH 2.92mm(K,SK)母 转 3.5mm母
DC-34GHz
1.20 Max 0.25dB Max 不锈钢
22.2(L)mm
English
中文版
RFbuy
7-8天
(GPPO\SMPM)(GPO)公 转 (GPPO\SMPM)(GPO)公 4孔法兰 精密转接器|不锈钢,DC-DC-34GHzGHz - RA3401F 转接器
精密型
四孔法兰
RA3401F 3.5mm母 转 3.5mm母
DC-34GHz
1.20 Max 0.25dB Max , Typ 0.2dB 不锈钢
22.3(L)×6.35(φ)mm
English
中文版
RFbuy
现货产品
(GPPO\SMPM)(GPO)公 转 (GPPO\SMPM)(GPO)公 4孔法兰 转接器|不锈钢,DC-DC-34GHzGHz,长度23.4mm,法兰孔距8.6mm - RA3401FH 转接器
超优级(Ultra)
四孔法兰
RA3401FH 3.5mm母 转 3.5mm母
DC-34GHz
1.15 Max 0.23dB Max 不锈钢
23.4(L)mm
English
中文版
RFbuy
7-8天
(GPPO\SMPM)(GPO)公 转 (GPPO\SMPM)(GPO)公 4孔法兰 转接器|不锈钢,DC-DC-34GHzGHz,长度29.8mm,法兰孔距12.7mm - RA3401FH02 转接器
超优级(Ultra)
四孔法兰
RA3401FH02 3.5mm母 转 3.5mm母
DC-34GHz
1.20 Max 0.28dB Max 不锈钢
23.4(L)mm
English
中文版
RFbuy
7-8天
(GPPO\SMPM)(GPO)公 转 (GPPO\SMPM)(GPO)公 4孔法兰 转接器|不锈钢,DC-DC-34GHzGHz,长度19.3mm,法兰孔距8.6mm - RA3401FSH 转接器
超优级(Ultra)
带密封圈
四孔法兰
RA3401FSH 3.5mm母 转 3.5mm母
DC-34GHz
1.20 Max , Typ 1.1 0.20dB Max ≤0.04√f(GHz)dB 不锈钢
19.3(L)mm
English
中文版
RFbuy
现货产品
(GPPO\SMPM)(GPO)公 转 (GPPO\SMPM)(GPO)公 4孔法兰 转接器|不锈钢,DC-DC-26.5GHzGHz,长度22.2mm,法兰孔距8.6mm - RA18S01FH 转接器
超优级(Ultra)
四孔法兰
RA18S01FH SMA母 转 SMA母
DC-26.5GHz
1.20 Max , Typ 1.1 0.10dB Max ≤0.04√f(GHz)dB 不锈钢
22.2(L)mm
English
中文版
RFbuy
现货产品
(GPPO\SMPM)(GPO)公 转 (GPPO\SMPM)(GPO)公 4孔法兰 转接器|不锈钢,DC-DC-26.5GHzGHz,长度22.2mm,法兰孔距8.6mm - RA18S01FSH 转接器
超优级(Ultra)
带密封圈
四孔法兰
RA18S01FSH SMA母 转 SMA母
DC-26.5GHz
1.20 Max , Typ 1.1 0.20dB Max ≤0.04√f(GHz)dB 不锈钢
22.2(L)mm
English
中文版
RFbuy
现货产品
(GPPO\SMPM)(GPO)公 转 (GPPO\SMPM)(GPO)公 4孔法兰 转接器|不锈钢,DC-DC-26.5GHzGHz,长度23.8mm - RA27S01FE 转接器
经济型
四孔法兰
RA27S01FE SMA母 转 SMA母
DC-26.5GHz
1.20 Max (18-26.5GHz); 1.15 max (DC-18GHz) - 不锈钢
23.8(L)mm
English
中文版
RFbuy
现货产品
(GPPO\SMPM)(GPO)公 转 (GPPO\SMPM)(GPO)公 4孔法兰 转接器|不锈钢,DC-DC-26.5GHzGHz,长度22.1mm - RA27S01FE02 转接器
经济型
四孔法兰
RA27S01FE02 SMA母 转 SMA母
DC-26.5GHz
1.20 Max (18-26.5GHz); 1.15 max (DC-18GHz) - 不锈钢
22.1(L)mm
English
中文版
RFbuy
2-3天
(GPPO\SMPM)(GPO)公 转 (GPPO\SMPM)(GPO)公 4孔法兰 转接器|不锈钢,DC-DC-26.5GHzGHz,长度17.6mm,法兰孔距8.6mm - RA27S01FS 转接器
超优级(Ultra)
带密封圈
四孔法兰
RA27S01FS SMA母 转 SMA母
DC-26.5GHz
1.15 Max 0.20dB Max 不锈钢
17.6(L)mm
English
中文版
RFbuy
7-8天
(GPPO\SMPM)(GPO)公 转 (GPPO\SMPM)(GPO)公 4孔法兰 转接器|不锈钢,DC-DC-26.5GHzGHz,长度23.8mm - RA27S01FSE 转接器
经济型
带密封圈
四孔法兰
RA27S01FSE SMA母 转 SMA母
DC-26.5GHz
1.20 Max (18-26.5GHz); 1.15 max (DC-18GHz) - 不锈钢
23.8(L)mm
English
中文版
RFbuy
现货产品
(GPPO\SMPM)(GPO)公 转 (GPPO\SMPM)(GPO)公 4孔法兰 转接器|不锈钢,DC-DC-26.5GHzGHz,长度24mm,法兰孔距8.6mm - RA27S01FSH 转接器
超优级(Ultra)
带密封圈
四孔法兰
RA27S01FSH SMA母 转 SMA母
DC-26.5GHz
1.15 Max 0.20dB Max 不锈钢
24(L)mm
English
中文版
RFbuy
7-8天
(GPPO\SMPM)(GPO)公 转 (GPPO\SMPM)(GPO)公 4孔法兰 转接器|不锈钢,DC-DC-26.5GHzGHz,长度24mm,法兰孔距8.6mm - RA27S01FSH02 转接器
超优级(Ultra)
带密封圈
四孔法兰
RA27S01FSH02 SMA母 转 SMA母
DC-26.5GHz
1.15 Max 0.20dB Max 不锈钢
24(L)mm
English
中文版
RFbuy
7-8天
(GPPO\SMPM)(GPO)公 转 (GPPO\SMPM)(GPO)公 4孔法兰 转接器|不锈钢,DC-DC-26.5GHzGHz,长度26.4mm,法兰孔距12.7mm - RA27S02FS 转接器
超优级(Ultra)
带密封圈
四孔法兰
RA27S02FS SMA公 转 SMA公
DC-26.5GHz
1.15 Max 0.20dB Max 不锈钢
26.4(L)mm
English
中文版
RFbuy
7-8天
(GPPO\SMPM)(GPO)公 转 (GPPO\SMPM)(GPO)公 4孔法兰 转接器|不锈钢,DC-DC-26.5GHzGHz,长度21mm,法兰孔距8.6mm - RA27S03FH 转接器
超优级(Ultra)
四孔法兰
RA27S03FH SMA公 转 SMA母
DC-26.5GHz
1.20 Max , Typ 1.1 0.10dB Max ≤0.04√f(GHz)dB 不锈钢
21(L)mm
English
中文版
RFbuy
现货产品
(GPPO\SMPM)(GPO)公 转 (GPPO\SMPM)(GPO)公 4孔法兰 转接器|不锈钢,DC-DC-26.5GHzGHz,长度25.2mm,法兰孔距12.7mm - RA27S03FS 转接器
超优级(Ultra)
带密封圈
四孔法兰
RA27S03FS SMA公 转 SMA母
DC-26.5GHz
1.15 Max 0.20dB Max 不锈钢
25.2(L)mm
English
中文版
RFbuy
7-8天
(GPPO\SMPM)(GPO)公 转 (GPPO\SMPM)(GPO)公 4孔法兰 转接器|不锈钢,DC-DC-26.5GHzGHz,长度20.1mm,法兰孔距8.6mm - RA27SA01F 转接器
超优级(Ultra)
四孔法兰
RA27SA01F SSMA母 转 SSMA母
DC-26.5GHz
1.20 Max , Typ 1.15 0.55dB Max ≤0.1√f(GHz)dB 不锈钢
20.1(L)mm
English
中文版
RFbuy
现货产品
(GPPO\SMPM)(GPO)公 转 (GPPO\SMPM)(GPO)公 4孔法兰 转接器|不锈钢,DC-DC-18GHzGHz,长度34.5mm,法兰孔距18.2mm - RA18N01FSH 转接器
超优级(Ultra)
带密封圈
四孔法兰
RA18N01FSH N母 转 N母
DC-18GHz
1.20 Max 0.30dB Max ≤0.1√f(GHz)dB 不锈钢
34.5(L)mm
English
中文版
RFbuy
现货产品
(GPPO\SMPM)(GPO)公 转 (GPPO\SMPM)(GPO)公 4孔法兰 转接器|黄铜镀镍,DC-DC-18GHzGHz,长度34.5mm,法兰孔距18.2mm - RA18N01FSH-NBA 转接器
超优级(Ultra)
带密封圈
四孔法兰
RA18N01FSH-NBA N母 转 N母
DC-18GHz
1.20 Max , Typ 1.15 0.20dB Max ≤0.1√f(GHz)dB 黄铜镀镍
34.5(L)mm
English
中文版
RFbuy
现货产品
(GPPO\SMPM)(GPO)公 转 (GPPO\SMPM)(GPO)公 4孔法兰 转接器|黄铜镀三元合金,DC-DC-18GHzGHz - RA18N01F-TBA 转接器
经济型
四孔法兰
RA18N01F-TBA N母 转 N母
DC-18GHz
1.25 Max - 黄铜镀三元合金
36.4(L)mm
English
中文版
RFbuy
现货产品
(GPPO\SMPM)(GPO)公 转 (GPPO\SMPM)(GPO)公 4孔法兰 转接器|不锈钢,DC-DC-18GHzGHz,长度37.4mm,法兰孔距18.2mm - RA18N03FS 转接器
超优级(Ultra)
带密封圈
四孔法兰
RA18N03FS N公 转 N母
DC-18GHz
1.15 Max 0.17dB Max 不锈钢
37.4(L)mm
English
中文版
RFbuy
7-8天
(GPPO\SMPM)(GPO)公 转 (GPPO\SMPM)(GPO)公 4孔法兰 转接器|不锈钢,DC-DC-18GHzGHz,长度39mm,法兰孔距18.2mm - RA18N16FS 转接器
超优级(Ultra)
带密封圈
四孔法兰
RA18N16FS N公 转 SMA公
DC-18GHz
1.15 Max 0.17dB Max 不锈钢
39(L)mm
English
中文版
RFbuy
7-8天
(GPPO\SMPM)(GPO)公 转 (GPPO\SMPM)(GPO)公 4孔法兰 转接器|不锈钢,DC-DC-18GHzGHz,长度37.9mm,法兰孔距18.2mm - RA18N17FS 转接器
超优级(Ultra)
带密封圈
四孔法兰
RA18N17FS N公 转 SMA母
DC-18GHz
1.15 Max 0.17dB Max 不锈钢
37.9(L)mm
English
中文版
RFbuy
7-8天
(GPPO\SMPM)(GPO)公 转 (GPPO\SMPM)(GPO)公 4孔法兰 转接器|黄铜镀镍,DC-DC-18GHzGHz,长度36.8mm,法兰孔距18.2mm - RA18N18FH-NBA 转接器
超优级(Ultra)
带密封圈
四孔法兰
RA18N18FH-NBA N母 转 SMA公
DC-18GHz
1.20 Max , Typ 1.15 0.20dB Max ≤0.04√f(GHz)dB 黄铜镀镍
36.8(L)mm
English
中文版
RFbuy
现货产品
(GPPO\SMPM)(GPO)公 转 (GPPO\SMPM)(GPO)公 4孔法兰 转接器|黄铜镀三元合金+黄铜镀金,DC-DC-18GHzGHz,长度29.7mm,法兰孔距18.2mm - RA18N18FH-TBA 转接器
超优级(Ultra)
四孔法兰
RA18N18FH-TBA N母 转 SMA公
DC-18GHz
1.20 Max , Typ 1.15 0.20dB Max ≤0.04√f(GHz)dB 黄铜镀三元合金+黄铜镀金
29.7(L)mm
English
中文版
RFbuy
现货产品
(GPPO\SMPM)(GPO)公 转 (GPPO\SMPM)(GPO)公 4孔法兰 转接器|不锈钢,DC-DC-18GHzGHz,长度35.7mm,法兰孔距18.2mm - RA18N19FSH 转接器
超优级(Ultra)
带密封圈
四孔法兰
RA18N19FSH N母 转 SMA母
DC-18GHz
1.15 Max 0.20dB Max ≤0.04√f(GHz)dB 不锈钢
35.7(L)mm
English
中文版
RFbuy
现货产品
(GPPO\SMPM)(GPO)公 转 (GPPO\SMPM)(GPO)公 4孔法兰 转接器|黄铜镀镍,DC-DC-18GHzGHz,长度35.7mm,法兰孔距18.2mm - RA18N19FSH-NBA 转接器
超优级(Ultra)
带密封圈
四孔法兰
RA18N19FSH-NBA N母 转 SMA母
DC-18GHz
1.20 Max 0.20dB Max ≤0.04√f(GHz)dB 黄铜镀镍
35.7(L)mm
English
中文版
RFbuy
现货产品
(GPPO\SMPM)(GPO)公 转 (GPPO\SMPM)(GPO)公 4孔法兰 转接器|黄铜镀三元合金,DC-DC-18GHzGHz - RA18N19F-TBA 转接器
经济型
四孔法兰
RA18N19F-TBA N母 转 SMA母
DC-18GHz
1.25 Max - 黄铜镀三元合金
33.4(L)mm
English
中文版
RFbuy
现货产品
(GPPO\SMPM)(GPO)公 转 (GPPO\SMPM)(GPO)公 4孔法兰 转接器|黄铜镀金,DC-DC-18GHzGHz - RA18S01F-GBA 转接器
经济型
四孔法兰
RA18S01F-GBA SMA母 转 SMA母
DC-18GHz
1.25 Max 0.20dB Max 黄铜镀金
24.5(L)mm
English
中文版
RFbuy
现货产品
(GPPO\SMPM)(GPO)公 转 (GPPO\SMPM)(GPO)公 4孔法兰 转接器|黄铜镀金,DC-DC-18GHzGHz,长度26.5mm,法兰孔距8.6mm - RA18S01FH02-GBA 转接器
超优级(Ultra)
四孔法兰
RA18S01FH02-GBA SMA母 转 SMA母
DC-18GHz
1.15 Max 0.08dB Max ≤0.04√f(GHz)dB 黄铜镀金
26.5(L)mm
English
中文版
RFbuy
现货产品
(GPPO\SMPM)(GPO)公 转 (GPPO\SMPM)(GPO)公 4孔法兰 转接器|黄铜镀金,DC-DC-18GHzGHz,长度39.6mm,法兰孔距8.6mm - RA18S01FH03-GBA 转接器
超优级(Ultra)
四孔法兰
RA18S01FH03-GBA SMA母 转 SMA母
DC-18GHz
1.15 Max 0.08dB Max ≤0.04√f(GHz)dB 黄铜镀金
39.6(L)mm
English
中文版
RFbuy
现货产品
(GPPO\SMPM)(GPO)公 转 (GPPO\SMPM)(GPO)公 4孔法兰 转接器|黄铜镀金,DC-DC-18GHzGHz,长度22.2mm,法兰孔距8.6mm - RA18S01FH-GBA 转接器
超优级(Ultra)
四孔法兰
RA18S01FH-GBA SMA母 转 SMA母
DC-18GHz
1.15 Max 0.08dB Max ≤0.04√f(GHz)dB 黄铜镀金
22.2(L)mm
English
中文版
RFbuy
现货产品
(GPPO\SMPM)(GPO)公 转 (GPPO\SMPM)(GPO)公 4孔法兰 转接器|黄铜镀金,DC-DC-18GHzGHz,长度21mm,法兰孔距8.6mm - RA18S03FH-GBA 转接器
超优级(Ultra)
四孔法兰
RA18S03FH-GBA SMA公 转 SMA母
DC-18GHz
1.15 Max 0.08dB Max ≤0.04√f(GHz)dB 黄铜镀金
21(L)mm
English
中文版
RFbuy
现货产品
(GPPO\SMPM)(GPO)公 转 (GPPO\SMPM)(GPO)公 2孔法兰 转接器|黄铜镀镍,DC-DC-18GHzGHz,长度31.6mm,法兰尺寸11.6(L)*20(φ) - RA18S03FH-NBA 转接器
超优级(Ultra)
双孔法兰
RA18S03FH-NBA SMA公 转 SMA母
DC-18GHz
1.15 Max , Typ 1.1 0.20dB Max ≤0.04√f(GHz)dB 黄铜镀镍
31.6(L)mm
English
中文版
RFbuy
现货产品
(GPPO\SMPM)(GPO)公 转 (GPPO\SMPM)(GPO)公 2孔法兰 转接器|铍铜镀金,DC-DC-18GHzGHz,长度22.9mm,法兰安装孔距12.2(φ) - RA18S11FH-GBC 转接器
超优级(Ultra)
双孔法兰
RA18S11FH-GBC SMA母 转 SMP(GPO)母
DC-18GHz
1.30 Max , Typ 1.1 0.20dB Max ≤0.05√f(GHz)dB 铍铜镀金
22.9(L)mm
English
中文版
RFbuy
现货产品
(GPPO\SMPM)(GPO)公 转 (GPPO\SMPM)(GPO)公 4孔法兰 转接器|不锈钢,DC-DC-18GHzGHz,法兰孔3.2(φ),法兰孔距12.7mm - RA18S39FSH 转接器
超优级(Ultra)
带密封圈
四孔法兰
RA18S39FSH SMA母 转 TNC母
DC-18GHz
1.20 Max , Typ 1.15 0.20dB Max ≤0.04√f(GHz)dB 不锈钢
26.9(L)mm
English
中文版
RFbuy
现货产品
(GPPO\SMPM)(GPO)公 转 (GPPO\SMPM)(GPO)公 2孔法兰 转接器|黄铜镀金,DC-DC-18GHzGHz,长度22.35mm - RA18SA01F 转接器
超优级(Ultra)
双孔法兰
RA18SA01F SSMA母 转 SMP(GPO)母
DC-18GHz
1.25 Max 0.40dB Max ≤0.1√f(GHz)dB 黄铜镀金
22.35(L)mm
English
中文版
RFbuy
现货产品
(GPPO\SMPM)(GPO)公 转 (GPPO\SMPM)(GPO)公 4孔法兰 转接器|黄铜镀镍,DC-DC-12GHzGHz,长度31mm - RA12N01F-NBA 转接器
经济型
四孔法兰
RA12N01F-NBA N母 转 SMA母
DC-12GHz
1.35 Max (6-12GHz); 1.15 max (DC-6GHz) - 黄铜镀镍
31(L)mm
English
中文版
RFbuy
现货产品
(GPPO\SMPM)(GPO)公 转 (GPPO\SMPM)(GPO)公 4孔法兰 转接器|黄铜镀三元合金,DC-DC-6GHzGHz - RAL06D02F 转接器
经济型
四孔法兰
RAL06D02F L29(DIN 7/16)母 转 L29(DIN 7/16)母
DC-6GHz
1.20 Max (3-6GHz); 1.05 max (DC-3GHz) - 黄铜镀三元合金
34.2(L)mm
English
中文版
RFbuy
现货产品
(GPPO\SMPM)(GPO)公 转 (GPPO\SMPM)(GPO)公 4孔法兰 转接器|黄铜镀镍,DC-DC-6GHzGHz,长度36mm,法兰孔距18.2mm - RA06N01F-NBA 转接器
经济型
四孔法兰
RA06N01F-NBA N母 转 N母
DC-6GHz
1.25 Max - 黄铜镀镍
36(L)mm
English
中文版
RFbuy
现货产品
(GPPO\SMPM)(GPO)公 转 (GPPO\SMPM)(GPO)公 4孔法兰 转接器|黄铜镀金,DC-DC-6GHzGHz - RA06S01FW-GBA 转接器
经济型
直角90度弯
四孔法兰
RA06S01FW-GBA SMA母 转 SMA母
DC-6GHz
1.30 Max - 黄铜镀金
20.5(L)×15.5(W)mm
English
中文版
RFbuy
现货产品
(GPPO\SMPM)(GPO)公 转 (GPPO\SMPM)(GPO)公 4孔法兰 转接器|黄铜镀三元合金,DC-DC-4GHzGHz - RA04B01F-TBA 转接器
经济型
四孔法兰
RA04B01F-TBA BNC母 转 BNC母
DC-4GHz
1.15 Max - 黄铜镀三元合金
32.5(L)mm
English
中文版
RFbuy
现货产品
(GPPO\SMPM)(GPO)公 转 (GPPO\SMPM)(GPO)公 4孔法兰 转接器|黄铜镀镍,DC-DC-4GHzGHz - RA04B07F-NBA 转接器
经济型
四孔法兰
RA04B07F-NBA BNC母 转 SMA母
DC-4GHz
1.15 Max - 黄铜镀镍
25.5(L)mm
English
中文版
RFbuy
现货产品
转接器
精密型
四孔法兰
RA4001FE 2.92mm(K,SK)母 转 2.92mm(K,SK)母
DC-40GHz
1.20 Max , Typ 1.15 - 不锈钢钝化
19.3(L)mm
English
中文版
RFbuy
现货产品
转接器
精密型
带密封圈
四孔法兰
RA4001FSE 2.92mm(K,SK)母 转 2.92mm(K,SK)母
DC-40GHz
1.20 Max , Typ 1.15 - 不锈钢钝化
19.3(L)mm
English
中文版
RFbuy
现货产品
转接器
精密型
四孔法兰
RA3401FE 3.5mm母 转 3.5mm母
DC-34GHz
1.20 Max , Typ 1.15 - 不锈钢钝化
19.3(L)mm
English
中文版
RFbuy
现货产品
转接器
精密型
带密封圈
四孔法兰
RA3401FSE 3.5mm母 转 3.5mm母
DC-34GHz
1.20 Max , Typ 1.15 - 不锈钢钝化
19.3(L)mm
English
中文版
RFbuy
现货产品
转接器
经济型
双孔法兰
RA18S37F SMA母 转 BMA母
DC-18GHz
1.35 Max - 不锈钢
22(L)mm
English
中文版
RFbuy
7-8天
转接器
经济型
双孔法兰
RA18S37FE SMA母 转 BMA母
DC-18GHz
1.35 Max - 不锈钢
22.2(L)mm
English
中文版
RFbuy
7-8天
转接器
经济型
带密封圈
四孔法兰
RA18S39FS SMA母 转 TNC母
DC-18GHz
1.30 Max - 不锈钢
31.6(L)mm
English
中文版
RFbuy
10-11天
转接器
精密型
低互调
四孔法兰
RAL12N03F N母 转 SMA母
DC-12GHz
1.25 Max - 黄铜镀三元合金
28.9(L)mm
English
中文版
RFbuy
7-8天
转接器
精密型
低互调
四孔法兰
RAL12N04F N母 转 SMA公
DC-12GHz
1.25 Max - 黄铜镀三元合金
32.95(L)mm
English
中文版
RFbuy
7-8天
转接器
精密型
低互调
四孔法兰
RAL06D36F 4.3-10母 转 SMA母
DC-6GHz
1.25 Max - 黄铜镀三元合金
37.2(L)mm
English
中文版
RFbuy
7-8天
转接器
经济型
带密封圈
四孔法兰
RAL06D17FS L29(DIN 7/16)母 转 N母
DC-6GHz
1.25 Max - 黄铜镀三元合金
36.6(L)mm
English
中文版
RFbuy
7-8天
转接器
经济型
带密封圈
四孔法兰
RA05TRB01FS TRB母 转 TRB母
DC-0.5GHz
Max - 黄铜镀镍
34(L)mm
English
中文版
RFbuy
7-8天

扫描关注公众号

0755-88840350 18026909307