当前位置:首页>产品选型>转接器/旋转关节/探针选型工具>TNC转接器/旋转关节/探针 | 重置检索条件
选型工具 | 射频转接器 | 精密转接器 | 毫米波转接器 | 低互调转接器 | 阻抗转换器 | RF Adapters(DC-110GHz)

RFTOP提供近1000个型号的射频转接器,频率覆盖DC-110GHz,能满足射频行业不同类型的客户需求。 RFTOP产品分为超优级、精密型、经济型三个等级,无论何种类型的转接器,RFTOP都提供品质保证,产品出厂100%射频性能测试,95%以上型号提供产品实测性能曲线图(可在规格书上查询)。RFTOP产品具有频率范围广、界面尺寸精准、电压驻波比小、可靠性高、耐久性好、高性价比、交期快等特点,请您放心选购。

分类导航:毫米波 | 超优级 | 经济型 | 精密黄铜 | 三通 | 穿墙 | 转接器套装 | 反极性 | 一图区分射频接头 | 安装方式 | SMP/SSMP常见问题 | 手册下载

接头查询:  1.0mm  1.35mm  1.85mm  2.4mm  2.92mm(K,SK)  3.5mm  4.1-9.5  4.3-10  4.3-10Q  APC-7  BMA  BNC  E  F  HD-EFI  HN  IPEX  L27  L29(DIN 7/16)  L36  LBMP  M  MBX  MCX  MFBX  MMCX  N  NEX10  NMD1.0  NMD1.85  NMD2.4  NMD2.92  NMD3.5  PSMP  QMA  QSMA  QSSMA  RBMA  RP-SMA反极  RP-TNC  SBMA  SC  SL  SMA  SMB  SMP(GPO)  SMPMAX  SSMA  SSMC  SSMP(GPPO,SMPM)  TNC  TRB  TS9  ZSMP 
快速选型:   重置条件
产品图 产品类型 型号 连接器类型及频率 驻波比 插入损耗 材料及产品尺寸 规格书 购买方式
(GPPO\SMPM)(GPO)公 转 (GPPO\SMPM)(GPO)公 转接器|不锈钢,DC-DC-18GHzGHz - RA18N24H 转接器
超优级(Ultra)
RA18N24H N公 转 TNC公
DC-18GHz
1.20 Max (互配测试) 0.20dB Max ≤0.04√f(GHz)dB 不锈钢
38.5(L)×21(φ)mm
English
中文版
RFbuy
现货产品
(GPPO\SMPM)(GPO)公 转 (GPPO\SMPM)(GPO)公 转接器|不锈钢,DC-DC-18GHzGHz - RA18N24WH 转接器
超优级(Ultra)
直角90度弯
RA18N24WH N公 转 TNC公
DC-18GHz
1.25 Max 0.40dB Max ≤0.1√f(GHz)dB 不锈钢
33(L)×31(W)×21(φ)mm
English
中文版
RFbuy
现货产品
(GPPO\SMPM)(GPO)公 转 (GPPO\SMPM)(GPO)公 转接器|不锈钢,DC-DC-18GHzGHz - RA18N25H 转接器
超优级(Ultra)
RA18N25H N公 转 TNC母
DC-18GHz
1.20 Max (互配测试) 0.20dB Max ≤0.04√f(GHz)dB 不锈钢
38.2(L)×21(φ)mm
English
中文版
RFbuy
现货产品
(GPPO\SMPM)(GPO)公 转 (GPPO\SMPM)(GPO)公 转接器|不锈钢,DC-DC-18GHzGHz - RA18N25H02 转接器
超优级(Ultra)
RA18N25H02 N公 转 TNC母
DC-18GHz
1.20 Max , Typ 1.1 0.20dB Max ≤0.04√f(GHz)dB 不锈钢
38.2(L)×22(φ)mm
English
中文版
RFbuy
1-2天
(GPPO\SMPM)(GPO)公 转 (GPPO\SMPM)(GPO)公 转接器|不锈钢,DC-DC-18GHzGHz - RA18N25WH 转接器
超优级(Ultra)
直角90度弯
RA18N25WH N公 转 TNC母
DC-18GHz
1.25 Max 0.40dB Max ≤0.1√f(GHz)dB 不锈钢
33(L)×33.9(W)×21(φ)mm
English
中文版
RFbuy
现货产品
(GPPO\SMPM)(GPO)公 转 (GPPO\SMPM)(GPO)公 转接器|不锈钢,DC-DC-18GHzGHz - RA18N26H 转接器
超优级(Ultra)
RA18N26H N母 转 TNC公
DC-18GHz
1.20 Max (互配测试) 0.20dB Max ≤0.04√f(GHz)dB 不锈钢
34.5(L)×15.8(φ)mm
English
中文版
RFbuy
现货产品
(GPPO\SMPM)(GPO)公 转 (GPPO\SMPM)(GPO)公 转接器|不锈钢,DC-DC-18GHzGHz - RA18N26WH 转接器
超优级(Ultra)
直角90度弯
RA18N26WH N母 转 TNC公
DC-18GHz
1.25 Max 0.40dB Max ≤0.1√f(GHz)dB 不锈钢
34.1(L)×31(W)×15.8(φ)mm
English
中文版
RFbuy
现货产品
(GPPO\SMPM)(GPO)公 转 (GPPO\SMPM)(GPO)公 转接器|不锈钢,DC-DC-18GHzGHz - RA18N27H 转接器
超优级(Ultra)
RA18N27H N母 转 TNC母
DC-18GHz
1.20 Max (互配测试) 0.20dB Max ≤0.04√f(GHz)dB 不锈钢
35(L)×15.8(φ)mm
English
中文版
RFbuy
现货产品
(GPPO\SMPM)(GPO)公 转 (GPPO\SMPM)(GPO)公 转接器|不锈钢,DC-DC-18GHzGHz - RA18N27WH 转接器
超优级(Ultra)
直角90度弯
RA18N27WH N母 转 TNC母
DC-18GHz
1.25 Max 0.40dB Max ≤0.1√f(GHz)dB 不锈钢
34.1(L)×33.9(W)mm
English
中文版
RFbuy
现货产品
(GPPO\SMPM)(GPO)公 转 (GPPO\SMPM)(GPO)公 转接器|不锈钢,DC-DC-18GHzGHz - RA18S32H 转接器
超优级(Ultra)
RA18S32H SMA公 转 TNC公
DC-18GHz
1.15 Max (互配测试) 0.20dB Max ≤0.04√f(GHz)dB 不锈钢
30.5(L)×15.8(φ)mm
English
中文版
RFbuy
现货产品
(GPPO\SMPM)(GPO)公 转 (GPPO\SMPM)(GPO)公 转接器|不锈钢,DC-DC-18GHzGHz - RA18S33H 转接器
超优级(Ultra)
RA18S33H SMA公 转 TNC母
DC-18GHz
1.15 Max (互配测试) 0.20dB Max ≤0.04√f(GHz)dB 不锈钢
28(L)×12(φ)mm
English
中文版
RFbuy
现货产品
(GPPO\SMPM)(GPO)公 转 (GPPO\SMPM)(GPO)公 转接器|不锈钢,DC-DC-18GHzGHz - RA18S34H 转接器
超优级(Ultra)
RA18S34H SMA母 转 TNC母
DC-18GHz
1.15 Max (互配测试) 0.20dB Max ≤0.04√f(GHz)dB 不锈钢
26.9(L)×12(φ)mm
English
中文版
RFbuy
现货产品
(GPPO\SMPM)(GPO)公 转 (GPPO\SMPM)(GPO)公 转接器|不锈钢,DC-DC-18GHzGHz - RA18S35H 转接器
超优级(Ultra)
RA18S35H SMA母 转 TNC公
DC-18GHz
1.15 Max (互配测试) 0.20dB Max ≤0.04√f(GHz)dB 不锈钢
29.4(L)×15.8(φ)mm
English
中文版
RFbuy
现货产品
(GPPO\SMPM)(GPO)公 转 (GPPO\SMPM)(GPO)公 4孔法兰 转接器|不锈钢,DC-DC-18GHzGHz,法兰孔3.2(φ),法兰孔距12.7mm - RA18S39FSH 转接器
超优级(Ultra)
带密封圈
四孔法兰
RA18S39FSH SMA母 转 TNC母
DC-18GHz
1.20 Max , Typ 1.15 0.20dB Max ≤0.04√f(GHz)dB 不锈钢
26.9(L)mm
English
中文版
RFbuy
现货产品
(GPPO\SMPM)(GPO)公 转 (GPPO\SMPM)(GPO)公 转接器|不锈钢,DC-DC-18GHzGHz - RA18TA01 转接器
超优级(Ultra)
RA18TA01 TNC母 转 TNC母
DC-18GHz
1.20 Max 0.30dB Max ≤0.05√f(GHz)dB 不锈钢
27.8(L)×13(φ)mm
English
中文版
RFbuy
现货产品
(GPPO\SMPM)(GPO)公 转 (GPPO\SMPM)(GPO)公 转接器|不锈钢,DC-DC-18GHzGHz - RA18TA01W 转接器
超优级(Ultra)
直角90度弯
RA18TA01W TNC母 转 TNC母
DC-18GHz
1.30 Max , Typ 1.25 0.40dB Max ≤0.1√f(GHz)dB 不锈钢
33.9(L)×33.9(W)mm
English
中文版
RFbuy
现货产品
(GPPO\SMPM)(GPO)公 转 (GPPO\SMPM)(GPO)公 转接器|不锈钢,DC-DC-18GHzGHz - RA18TA02 转接器
超优级(Ultra)
RA18TA02 TNC公 转 TNC公
DC-18GHz
1.20 Max 0.30dB Max ≤0.05√f(GHz)dB 不锈钢
31.4(L)×15.8(φ)mm
English
中文版
RFbuy
现货产品
(GPPO\SMPM)(GPO)公 转 (GPPO\SMPM)(GPO)公 转接器|不锈钢,DC-DC-18GHzGHz - RA18TA02W 转接器
超优级(Ultra)
直角90度弯
RA18TA02W TNC公 转 TNC公
DC-18GHz
1.25 Max 0.40dB Max ≤0.1√f(GHz)dB 不锈钢
31(L)×31(W)×15.8(φ)mm
English
中文版
RFbuy
现货产品
(GPPO\SMPM)(GPO)公 转 (GPPO\SMPM)(GPO)公 转接器|不锈钢,DC-DC-18GHzGHz - RA18TA03 转接器
超优级(Ultra)
RA18TA03 TNC公 转 TNC母
DC-18GHz
1.20 Max 0.30dB Max ≤0.05√f(GHz)dB 不锈钢
31.9(L)×15.8(φ)mm
English
中文版
RFbuy
现货产品
(GPPO\SMPM)(GPO)公 转 (GPPO\SMPM)(GPO)公 转接器|不锈钢,DC-DC-18GHzGHz - RA18TA03W 转接器
超优级(Ultra)
直角90度弯
RA18TA03W TNC公 转 TNC母
DC-18GHz
1.25 Max 0.40dB Max ≤0.1√f(GHz)dB 不锈钢
31(L)×33.9(W)×15.8(φ)mm
English
中文版
RFbuy
现货产品
(GPPO\SMPM)(GPO)公 转 (GPPO\SMPM)(GPO)公 转接器|黄铜镀镍,DC-DC-6GHzGHz - RA06S21F-NBA 转接器
经济型
RA06S21F-NBA SMA母 转 TNC母
DC-6GHz
1.25 Max - 黄铜镀镍
25.4(L)mm
English
中文版
RFbuy
现货产品
(GPPO\SMPM)(GPO)公 转 (GPPO\SMPM)(GPO)公 转接器|黄铜镀镍,DC-DC-6GHzGHz - RA06S21-NBA 转接器
经济型
RA06S21-NBA SMA母 转 TNC母
DC-6GHz
1.25 Max - 黄铜镀镍
25.3(L)mm
English
中文版
RFbuy
现货产品
(GPPO\SMPM)(GPO)公 转 (GPPO\SMPM)(GPO)公 转接器|黄铜镀镍+黄铜镀金,DC-DC-6GHzGHz - RA06S22-NBA 转接器
经济型
RA06S22-NBA SMA公 转 TNC公
DC-6GHz
1.25 Max - 黄铜镀镍+黄铜镀金
29.6(L)mm
English
中文版
RFbuy
现货产品
(GPPO\SMPM)(GPO)公 转 (GPPO\SMPM)(GPO)公 转接器|黄铜镀镍,DC-DC-6GHzGHz - RA06S23-NBA 转接器
经济型
RA06S23-NBA SMA公 转 TNC母
DC-6GHz
1.25 Max - 黄铜镀镍
28.6(L)mm
English
中文版
RFbuy
现货产品
(GPPO\SMPM)(GPO)公 转 (GPPO\SMPM)(GPO)公 转接器|黄铜镀镍,DC-DC-6GHzGHz - RA06S24-NBA 转接器
经济型
RA06S24-NBA SMA母 转 TNC公
DC-6GHz
1.25 Max - 黄铜镀镍
26.5(L)mm
English
中文版
RFbuy
现货产品
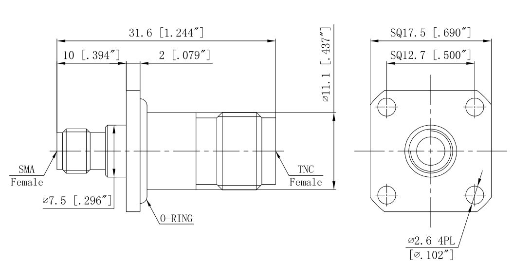
转接器
经济型
带密封圈
四孔法兰
RA18S39FS SMA母 转 TNC母
DC-18GHz
1.30 Max - 不锈钢
31.6(L)mm
English
中文版
RFbuy
10-11天
转接器
经济型
RA04B07 BNC母 转 TNC母
DC-4GHz
1.30 Max - 黄铜镀镍
32.5(L)mm
English
中文版
RFbuy
7-8天
转接器
经济型
RA04B08 BNC公 转 TNC公
DC-4GHz
1.30 Max - 黄铜镀镍
32.4(L)mm
English
中文版
RFbuy
7-8天
转接器
经济型
RA04B09 BNC母 转 TNC公
DC-4GHz
1.30 Max - 黄铜镀镍
31.7(L)mm
English
中文版
RFbuy
7-8天
转接器
经济型
RA04B10 BNC公 转 TNC母
DC-4GHz
1.30 Max - 黄铜镀镍
32(L)mm
English
中文版
RFbuy
7-8天

扫描关注公众号

0755-88840350 18026909307